مصنوعات کا تعارف
جی بی لائٹ ریلیں ریلوے منصوبوں میں معاشی ریل مواد ہیں ، جن میں کم لاگت اور آسان تعمیر کی خصوصیات ہیں۔ بھاری ریلوں کے مقابلے میں ، وہ وزن میں ہلکے اور لے جانے اور انسٹال کرنے میں آسان ہیں ، جس سے وہ مختصر تعمیراتی ادوار اور محدود بجٹ والے ریل تعمیراتی منصوبوں کے لئے موزوں ہیں۔ وہ مقامی ریلوے شاخوں ، زرعی پارک کی نقل و حمل کی پٹریوں ، قدرتی سیر و تفریح ریلوے اور دیگر منظرناموں میں بڑے پیمانے پر استعمال ہوتے ہیں ، جو نہ صرف بنیادی نقل و حمل کے افعال کو پورا کرسکتے ہیں ، بلکہ تعمیراتی اخراجات کو بھی مؤثر طریقے سے کنٹرول کرتے ہیں اور منصوبے کی معیشت کو بہتر بناتے ہیں۔
اعلی معیار کی 30 کلوگرام لائٹ ریل کارکردگی کی خصوصیات:
● اعلی طاقت اور سختی:زیادہ سے زیادہ دباؤ اور اثر قوت کا مقابلہ کرسکتے ہیں ، اس بات کو یقینی بنائیں کہ طویل مدتی استعمال کے دوران خراب اور پہننا آسان نہیں ہے ، اور بار بار ٹرین آپریشن یا بھاری آبجیکٹ کی نقل و حمل کی ضروریات کو پورا کرسکتا ہے۔
● اچھی سختی:جب بیرونی قوت سے متاثر ہوتا ہے تو ، یہ ٹوٹنے والے فریکچر سے بچنے اور ٹریک کی حفاظت کو بہتر بنانے کے لئے توانائی کی ایک خاص مقدار کو جذب کرسکتا ہے۔
● اعلی جہتی درستگی:ریل کی اونچائی ، نیچے کی چوڑائی ، سر کی چوڑائی ، کمر کی موٹائی وغیرہ کے جہتی انحرافات کو ایک چھوٹی سی حد میں کنٹرول کیا جاتا ہے تاکہ ٹریک کی چپٹی اور سیدھے پن کو یقینی بنایا جاسکے ، جس سے ٹرین زیادہ آسانی سے چلتی ہے اور پہیے اور پٹریوں کے مابین غیر معمولی لباس اور کمپن کو کم کرتی ہے۔
● اچھی سطح کا معیار:سطح ہموار ہے اور اس میں کوئی واضح نقائص نہیں ہیں جیسے دراڑیں ، ریت کے سوراخ ، سوراخ وغیرہ ، جو نہ صرف چلانے والے شور کو کم کرسکتے ہیں ، بلکہ پٹریوں اور پہیے کے مابین لباس کو بھی کم کرسکتے ہیں اور آپریٹنگ کارکردگی کو بہتر بناتے ہیں۔

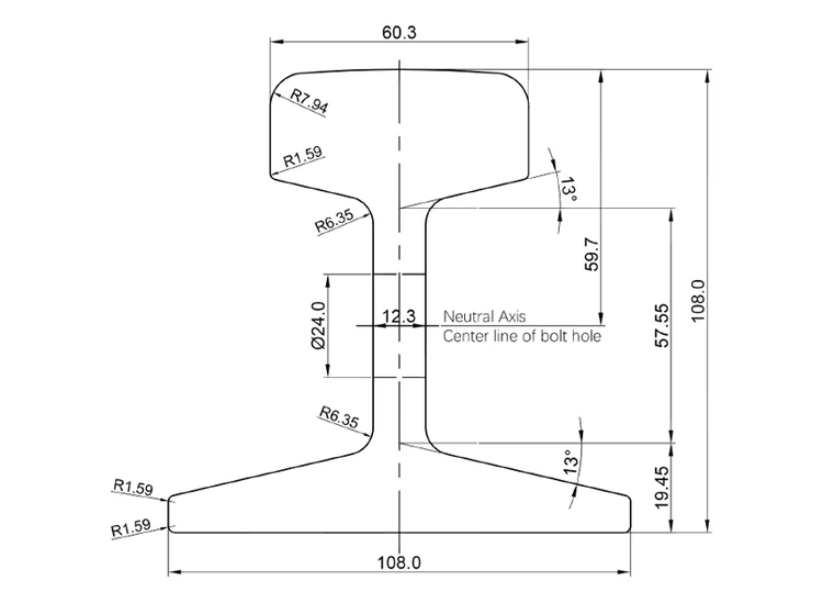
مصنوعات کی وضاحتیں

پروڈکٹ ایپلی کیشن

پروڈکٹ پیکیجنگ اور ترسیل
جب لائٹ ریلوں کو پیکیجنگ اور ٹرانسپورٹ کرتے ہیں تو ، ریلوں کو پہلے ایک مقررہ نمبر کے مطابق صاف ستھرا کیا جاتا ہے ، اور ایک پیشہ ور اسٹیل اسٹریپنگ مشین استعمال کی جاتی ہے تاکہ یہ یقینی بنایا جاسکے کہ اسٹیل کے ہر پٹا کی سخت قوت مستقل ہے۔ بنڈل کے بعد ، اینٹی رسٹ آئل کو ریلوں کی سطح پر اسپرے کیا جاتا ہے ، اور ریلوں کے سطح کے رقبے کے مطابق اینٹی رسٹ آئل کی مقدار کو عین مطابق کنٹرول کیا جاتا ہے۔ ہینڈلنگ اور شناخت کی سہولت کے ل a ، ایک واضح لیبل کو ریلوں کے ہر بنڈل کے باہر سے لگایا جائے گا ، جس میں مصنوعات کی وضاحتیں ، مقدار اور دیگر معلومات کی نشاندہی کی جائے گی ، اور آخر کار پلاسٹک فلم سے لپیٹا جائے تاکہ یہ یقینی بنایا جاسکے کہ نقل و حمل کے دوران سامان کو واضح طور پر نشان زد اور محفوظ کیا جائے۔



GNEE ریل ایک خدمت فراہم کرنے والا ہے جو GB معیاری لائٹ ریل مصنوعات کی عالمی فراہمی میں مہارت رکھتا ہے۔ اس نے ایک مکمل عالمی خریداری کا نیٹ ورک بنایا ہے اور بہت ساری بڑی گھریلو اسٹیل ملوں کے ساتھ اسٹریٹجک شراکت قائم کی ہے۔ ہم نے آرڈر پروسیسنگ ، کوالٹی کنٹرول ، اور رسد کی تقسیم کے مکمل عمل کے بصری انتظام کے حصول کے لئے "ڈیجیٹل سپلائی چین کوآپریشن پلیٹ فارم" کو جدید طور پر تیار کیا ہے۔ ایک ہی وقت میں ، GNEE ایک پیشہ ور کوالٹی کنٹرول ٹیم سے بھی لیس ہے اور اس نے یہ یقینی بنانے کے لئے سخت مصنوعات کے معائنے کے معیارات قائم کیے ہیں جس سے یہ یقینی بنایا جاسکے کہ مصنوعات کا ہر بیچ صارفین کی ضروریات کو پورا کرتا ہے۔ بین الاقوامی تجارت میں بھرپور تجربے کے ساتھ ، ہم صارفین کو موثر اور مستحکم بھاری ریل مصنوعات کی فراہمی کی خدمات فراہم کرنے کے لئے پرعزم ہیں۔







ڈاؤن لوڈ، اتارنا ٹیگ: اعلی معیار 30 کلوگرام لائٹ ریلوے ٹریک ، چین اعلی معیار 30 کلوگرام لائٹ ریلوے ٹریک مینوفیکچررز ، سپلائرز ، فیکٹری






